



Serie de Winch Elevador para Minería en Ascenso
【 Tipo 】cabrestante winch de minería, cabrestante de hundimiento
【Modelo】8kn-27.5kn
【Aplicación】Elevación de minerales o equipos mineros
【Nuestros servicios】
- ♦ Fábrica de visita en línea
- ♦ Diseño de plan de cabrestante para mina,
- ♦ dibujar el diseño,
- ♦ Prueba de fábrica antes de la entrega,
- ♦ enseñanza de videos en línea,
- ♦ garantía de un año.
- ¿Qué es un winch minero?
- Tipos de cabrestantes de minería
Según el tipo, se puede clasificar en winch elevador minero multicable modelo JKM/JKMD, winch elevador minero de un solo cable enrollable modelo JK(B)/2JK(B), winch elevador minero modelo JTP(B)/2JTP(B), winch elevador minero modelo JTK/2JTK y winch de hundimiento modelo JZ/JKZ.
JKM/JKMD Winch elevador por fricción de múltiples cables
JK(B)/2JK(B) Winch elevador minero de un solo cable
JTP(B)/2JTP(B) Winch elevador minero
JTK/2JTK Winch elevador minero
JZ/JKZ winch de hundimiento
- Fábrica de winch mineros de múltiples cables
JKM/JKMD Winch elevador por fricción de múltiples cables
Estructura Central y Características de Diseño
Dispositivo del eje principal: La rueda de fricción tiene estructura soldada de acero bajo aleado de alta resistencia Q355. Los revestimientos de fricción se fijan a la rueda mediante bloques de fijación y de presión. Se conecta al eje principal por una junta de fricción plana de doble brida, doble placa de sujeción y doble cara, que transmite el par de torsión por la fuerza de fricción entre las placas y el eje. Se equipan rodamientos de rodillo autolubricantes alineados en doble fila en ambos extremos. Eficiencia de transmisión ≥90%.
Sistema de Frenado: Freno de Disco:Diseñado con cilindro trasero, la fuerza de frenado proviene de resortes de disco y se acciona por estación hidráulica (tiempo de respuesta < 0,3 s). El par de frenado es ≥ 3 veces el par estático máximo. Soporta frenado secundario y ajuste proporcional electrohidráulico, y activa el frenado de seguridad automáticamente en caso de corte de energía.
Aplicación de Producto
Escenarios aplicables: Los monomultores de fricción de múltiples cables son aptos para pozos verticales de minas de carbón o metálicas, sirviendo para elevación de pozo principal y auxiliar. Se pueden emplear en sistemas de elevación de doble cajón-jaula, así como en sistemas de contenedor único con contrapesos.
Parámetros de Producto del winch de Fricción de Múltiples Cables JKM/JKMD
| modelo | diámetro de la rueda de fricción | número de cables de acero | diferencia máxima de tensión estática del cable de acero | máxima tensión estática del cable de acero | diámetro máximo de cable de acero | velocidad máxima de elevación | reductor | reductor |
|---|---|---|---|---|---|---|---|---|
| m | KN | KN | mm | m/s | modelo | relación de velocidad | ||
| JKM-2.25×4(I) | 2.25 | 4 | 80 | 230 | 24 | 10 | Xp800 | 73.5 10.5 11.5 |
| JKM-2.8×4(I) | 2.8 | 4 | 140 | 340 | 28 | 15 | Xp1000 | |
| JKM-2.8×6(I) | 2.8 | 6 | 180 | 510 | 28 | 15 | Xp1120 | |
| JKM-3.25×4(I) | 3.25 | 4 | 180 | 520 | 36 | 15 | Xp1120 | |
| JKM-3.5×4(I) | 3.5 | 4 | 220 | 590 | 38 | 15 | Xp1120 | |
| JKM-3×4(III) | 3 | 4 | 140 | 450 | 32 | 15 | ||
| JKM-3.25×4(III) | 3.25 | 4 | 112 | 480 | 32 | 15 | ||
| JKM-3.5×4(III) | 3.5 | 4 | 220 | 525 | 35 | 15 | ||
| JKM-3.5×6(III) | 3.5 | 6 | 220 | 820 | 35 | 15 | ||
| JKMD-2.25×4(I) | 2.25 | 4 | 65 | 215 | 22 | 10 | Xp800 | 73.5 10.5 11.5 |
| JKMD-2.8×4(I) | 2.8 | 4 | 95 | 335 | 28 | 15 | Xp1000 | |
| JKMD-3.25×4(I) | 3.25 | 4 | 180 | 520 | 36 | 15 | Xp1120 | |
| JKMD-3.5×4(I) | 3.5 | 4 | 140 | 525 | 38 | 15 | Xp1120 | |
| JKMD-3×4(III) | 3 | 4 | 140 | 450 | 32 | 16 | ||
| JKMD-3.25×4(III) | 3.25 | 4 | 140 | 450 | 36 | 16 | ||
| JKMD-3.5×4(III) | 3.5 | 4 | 220 | 590 | 38 | 16 |
- Fábrica de winch mineros de enrollamiento de cable único
JK(B)/2JK(B) winch minero de enrollamiento de cable único
Estructura Central y Características de Diseño
Dispositivo del eje principal: El tambor tiene estructura integral o dividida (para instalación subterránea), fabricado en acero bajo aleado Q345A. Su superficie tiene ranura de cable espiral de plástico de ingeniería para reducir el desgaste del cable de acero. El eje principal ajusta por interferencia con el cubo y se conecta al tambor mediante conjuntos de pernos de alta resistencia. Se equipan rodamientos de rodillo autolubricantes alineados en doble fila en ambos extremos, eficiencia de transmisión ≥90%.
Sistema de Frenado: Freno de Disco:Con cilindro trasero, la fuerza de frenado proviene de resortes de disco y se acciona por estación hidráulica (tiempo de respuesta < 0,3 s). El par de frenado es ≥ 3 veces el par estático máximo. Soporta frenado de dos etapas y ajuste proporcional electrohidráulico, activando automáticamente el frenado de seguridad en caso de corte de energía.
Aplicación de Producto
Escenarios aplicables: Transporte de mineral y personal en pozos verticales o inclinados (seleccionar modelos a prueba de explosión serie JKB); Elevación de placas de elevación y bombas en excavación de pozos verticales (carga ≤ 160kN).
Parámetros de Producto del winch Minero de Enrollamiento de Cable Único JK(B)/2JK(B)
| modelo | carrete | carrete | altura máxima de elevación o longitud de transporte | cable de acero | cable de acero | relación de reducción | velocidad media de elevación | motor eléctrico | motor eléctrico |
|---|---|---|---|---|---|---|---|---|---|
| diámetro | ancho | 1-3 capas de enrollamiento | diámetro máximo | fuerza total de rotura | velocidad | potencia máxima | |||
| m | m | mm | Kn | M/s | r/min | KW | |||
| JK-2×1.5 | 2.0 | 1.5 | 334/672/1043 | 24 | 396.5 | 31.5 | 2.5 | 740 | 210 |
| JK-2×1.8 | 2.0 | 1.8 | 406/818/1264 | 24 | 396.5 | 31.5 | 2.5 | 740 | 210 |
| JK-2.5×2 | 2.5 | 2 | 447/901/1395 | 30 | 621 | 31.5 | 3 | 740 | 315 |
| JK-2.5×2.3 | 2.5 | 2 | 520/1047/1617 | 30 | 621 | 31.5 | 3 | 740 | 315 |
| JK-3×2.2 | 3.0 | 2.2 | 447/887/1378 | 36 | 900 | 31.5 | 3.7 | 750 | 560 |
| JK-3×2.5 | 3.0 | 2.5 | 518/1030/1595 | 36 | 900 | 31.5 | 3.7 | 750 | 560 |
| JK-3.5×2.5 | 3.5 | 2.5 | 513/1017/ | 42 | 1230 | 31.5 | 4.3 | 750 | 900 |
| JK-3.5×2.8 | 3.5 | 2.8 | 584/1161/ | 42 | 1230 | 31.5 | 4.3 | 750 | 900 |
- Fábrica de cabrestantes y winch mineros
JTP/JTPB winches de elevadores mineros
Estructura Central y Características de Diseño
Dispositivo del eje principal: El carrete tiene diseño dividido o integral (para transporte e instalación subterráneos), fabricado en acero de alta resistencia Q345A, superficie con ranuras de cable espirales para reducir desgaste del cable de acero; El eje principal cuenta con rodamientos de rodillo de doble fila ajustables en ambos extremos, eficiencia de transmisión ≥90%, compatible con conexión de fricción plana de alto par de torsión.
Aplicación de Producto
Escenarios aplicables: Transporte de materiales en pozos inclinados (como carbón, ganga), elevación de personal en pozos verticales (se deben seleccionar los modelos a prueba de explosión serie JTPB); Elevación de placas de elevación, bombas de agua y otros equipos durante la excavación de pozos verticales (carga ≤ 160kN)
Parámetros de Producto del Winch de Elevador Minero JTP/JTPB
| carrete | carrete | carrete | carrete | tensión máxima del cable de acero | diferencia de tensión máxima del cable de acero | altura máxima de elevación o longitud de transporte | relación de reducción | velocidad media de elevación | motor eléctrico | motor eléctrico |
|---|---|---|---|---|---|---|---|---|---|---|
| número | diámetro | ancho | distancia entre centros de dos rodillos | tripulado/de carga | tripulado/de carga | 1-3 capas de enrollamiento | velocidad | potencia máxima | ||
| unit | m | m | m | Kn | Kn | m | M/s | r/min | KW | |
| 2 | 1.2 | 0.8 | 0.87 | 15/21 | 15/20 | 171/344/536 | 31.5 | 2 | 968 | 75 |
| 2 | 1.2 | 1 | 1.07 | 15/21 | 15/20 | 218/439/680 | 31.5 | 2 | 968 | 75 |
| 2 | 1.6 | 0.9 | 0.97 | 31/42 | 30/30 | 182/367/576 | 31.5 | 2.58 | 975 | 110 |
| 2 | 1.6 | 1.2 | 1.27 | 31/42 | 30/30 | 251/505/786 | 31.5 | 2.58 | 975 | 110 |
- Fábrica de Winches de Elevadores Mineros
JTK/2JTK winch de elevador minero
Estructura Central y Características de Diseño
Dispositivo del husillo: Diseño de tambor integral o dividido, carcasa de acero bajo aleado de alta resistencia Q345A, superficie con ranuras de cable espirales para reducir desgaste del cable de acero; Rodamientos de rodillo de doble fila ajustables en ambos extremos del husillo para transmisión por rodadura total, eficiencia general de la máquina ≥90%.
Sistema de Frenado: Freno de Bloque (accionamiento hidráulico o regulación de velocidad por resistencia), con freno de trabajo y freno de seguridad de martillo de contrapeso, compatible con frenado secundario y embrague de ajuste manual de cable; Sistema de accionamiento de la estación hidráulica con tiempo de respuesta corto, frena automáticamente en corte de energía.
Aplicación de Producto
Escenarios aplicables: Transporte de materiales en pozos inclinados (como carbón, ganga), elevación de personal en pozos verticales (se deben seleccionar los modelos a prueba de explosión serie JTPB); Elevación de placas de elevación, bombas de agua y otros equipos durante la excavación de pozos verticales (carga ≤ 160kN)
Parámetros de Producto del Winch de Elevador Minero JTK/2JTK
| modelo | carrete | carrete | carrete | tensión estática máxima del cable de acero (kN) | diámetro máximo del cable de acero (mm) | velocidad máxima de elevación (m/s) | número de capas de enrollamiento (de cable) | altura máxima de elevación o longitud inclinada (m) |
|---|---|---|---|---|---|---|---|---|
| número | diámetro (m) | anchura (m) | ||||||
| JTK-1×0.8 | 1 | 1 | 0.8 | 20 | 16 | 1.8 | 3 | 426 |
| JTK-1.2×1 | l | 1.2 | l | 30 | 20 | 2.6 | 3 | 472 |
| JTK-1.2×1.2 | 1 | 1.2 | 1.2 | 30 | 20 | 2.6 | 3 | 582 |
| JTK-1.4×1.2 | 1 | 1.4 | 1.2 | 35 | 22 | 2.6 | 3 | 617 |
| JTK-1.6×1.2 | l | 1.6 | 1.2 | 45 | 26 | 4.1 | 3 | 601 |
| JTK1.6×1.5 | 1 | 1.6 | 1.5 | 45 | 26 | 4.1 | 3 | 767 |
- Fábrica de Winches/Elevadores de Hundimiento JZ/JKZ
JZ/JKZ winches/elevadores de hundimiento
Estructura Central y Características de Diseño
Dispositivo del husillo: El tambor se conecta al engranaje y la rueda de freno por manguitos de cobre y pernos. El husillo gira solo con el tambor, sin transmitir par de torsión. Cable de acero con salida superior, material de acero de alta resistencia, capacidad de cable hasta 1.800 m (ej: JZ-40/1800).
Sistema de Frenado: Freno de Trabajo: Freno de pastilla, empujador hidráulico liberado al arrancar el motor, freno por resorte al detener la máquina. Freno de Seguridad: Tipo de pastilla flotante, activación de protección de corte de energía por caída de martillo de contrapeso, garantiza fiabilidad de frenado de emergencia.
Aplicación de Producto
Escenarios aplicables: Elevación de placas de elevación, tuberías de inyección de lechada y otros equipos durante la excavación de pozos (carga ≤ 400kN); Elevación de objetos pesados en tierra o reemplazo de cables de cola (como conexiones de jaula).
Parámetros de Producto del Winch/Elevador de Hundimiento JZ/JKZ
| modelo | tensión estática máxima del cable de acero (kN) | presión de trabajo nominal del sistema hidráulico (MPa) | relación de velocidad del reductor | relación de velocidad del reductor | capacidad de cable del tambor (m) | diámetro del rodillo (mm) | velocidad del cable de acero de la primera capa (m/s) | velocidad del cable de acero de la primera capa (m/s) | diámetro del cable de acero (mm) | peso del cabrestante (t) |
|---|---|---|---|---|---|---|---|---|---|---|
| rápido | lento | rápido | lento | |||||||
| JZ-10/800P | 100 | 12 | 51 | 51 | 800 | 800 | 0.075 | 0.075 | 32 | 4.5 |
| JZ-10/1000P | 100 | 12 | 51 | 51 | 1000 | 800 | 0.075 | 0.075 | 32 | 5.5 |
| JZ-16/1000P | 160 | 12 | 76 | 152 | 1000 | 1000 | 0.075 | 0.04 | 40 | 12 |
| JZ-16/1300P | 160 | 12 | 76 | 152 | 1300 | 1000 | 0.075 | 0.04 | 40 | 14 |
| JZ-16/1500P | 160 | 12 | 76 | 152 | 1500 | 1000 | 0.075 | 0.04 | 40 | 16 |
| JZ-25/1300P | 250 | 12 | 76 | 152 | 1300 | 1050 | 0.075 | 0.04 | 52 | 15 |
| JZ-25/1500P | 250 | 12 | 76 | 152 | 1500 | 1050 | 0.075 | 0.04 | 52 | 18 |
| JZ-25/1800P | 250 | 12 | 76 | 152 | 1800 | 1050 | 0.075 | 0.04 | 52 | 21 |
| JZ-40/1500P | 400 | 12 | 76 | 152 | 1500 | 1250 | 0.075 | 0.04 | 60 | 24 |
- Preguntas previo a la consulta
- ¿Es el entorno de operación del equipo el suelo, el subsuelo, la mina de carbón, la mina de metal, la mina no metálica o el sitio de ingeniería?
- ¿Es el método de trabajo el pozo vertical, el pozo inclinado, el gancho doble o el gancho simple?
- ¿Es el contenedor de elevación el cajón de volteo, la jaula, el tren de vagones o la jaula + vagón de mineral?
- Dimensiones del túnel (Ancho x Altura).
- ¿Cuál es la distancia entre la sala de winches y el transformador, y cuál es el voltaje de alimentación?
- ¿Cuál es la distancia y la capacidad de elevación?
- Principios de Selección
- Cumplir con las condiciones de operación del elevador.
- Satisfacer el rendimiento mecánico del elevador, incluyendo la tensión estática máxima, la diferencia de tensión estática máxima, el diámetro máximo del cable de acero, la fuerza de rotura máxima del cable de acero y la capacidad máxima de cable del elevador.
- Cumplir con el requisito de velocidad del elevador: la velocidad seleccionada no debe exceder la velocidad máxima del elevador.
- Determinar el método de instalación del elevador, es decir, si el reductor del motor se encuentra en el lado izquierdo o derecho de la unidad principal.
- Diagrama de Principio de Funcionamiento

Diagrama Esquemático del Principio de Funcionamiento del winch de Fricción de Múltiples Cables de Tipo Torre de Pozo

Diagrama Esquemático del Principio de Funcionamiento del winch de Fricción de Múltiples Cables de Montaje en Tierra
a) Sistema de elevación por fricción de múltiples cables sin ruedas guiadoras b) Sistema de elevación por fricción de múltiples cables con ruedas guiadoras
- Rueda de fricción
- Cable de acero de elevación
- Contenedor de elevación o contrapeso
- Cable de cola
- Rueda guiadora
- Rueda de fricción
- Polea de cabeza
- Cable de acero de elevación
- Contenedor de elevación o contrapeso
- Cable de cola
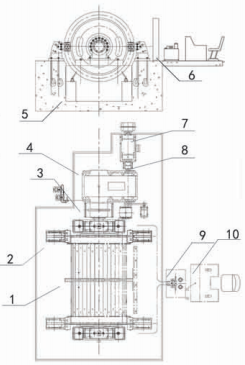
Diagrama Esquemático del winch Minero de Enrollamiento de Cable Simple
- Polea de elevación
- Cable de acero
- Contenedor de elevación
- Dispositivo del husillo principal
- Dispositivo del husillo principal
- Freno de disco
- Acoplamiento de baja velocidad
- Reductor
- Dispositivo de fijación
- Indicador de profundidad
- Motor
- Acoplamiento de baja velocidad
- Estación hidráulica
- Consola de operación
- Introducción detallada
Dispositivo del husillo
- Dispositivo del husillo principal de tipo enrollamiento de cable simple: El dispositivo del husillo principal consta de componentes como el husillo principal, el tambor, el freno de disco, el cubo, el rodamiento, el asiento de rodamiento y el revestimiento plástico. El husillo principal está fabricado por forjado de acero al carbono medio 45#, después de dos pruebas no destructivas y torneado de precisión, su capacidad de carga y par de torsión cumplen con las normas nacionales, garantizando un rendimiento confiable en el uso.
- Dispositivo del husillo principal de tipo de fricción de múltiples cables: Estructura de la rueda de fricción: Adopta una estructura totalmente soldada fabricada con acero de bajo aleante Q355, y este componente está soldados por una carcasa cilíndrica, una almohadilla, una placa protectora de cable y un freno de disco. La rueda de fricción y el husillo principal están conectados mediante una conexión de fricción plana de doble brida, doble abrazadera y doble cara, y transmite el par de torsión a través de la fuerza de fricción entre las dos abrazaderas y el husillo principal de la rueda de fricción.
Reductor
Se pueden elegir tres tipos de reductores:
- Reductor planetario: Es un reductor de engranaje planetario con engranajes totalmente endurecidos. Cuenta con gran relación de transmisión, alta eficiencia de transmisión, movimiento estable, alta resistencia a impactos y vibraciones, tamaño pequeño, peso ligero, estructura compacta, gran potencia de transmisión y alta capacidad de carga.
- Reductor de ejes paralelos: Adopta el método de lubricación por salpicadura de engranajes, sin necesidad de agregar una estación de lubricación obligatoria. Este producto utiliza engranaje cilíndrico de doble arco y transmisión de dos etapas. Tiene gran capacidad de carga y larga vida útil, trabajo estable, bajo ruido y buena propiedad de sellado, seguro y confiable, fácil de instalar y usar.
- Reductor de engranaje cilíndrico: Alta eficiencia de transmisión mecánica (monoetapa > 96.5%, bietapa > 93%, trietapa > 90%), tamaño pequeño, peso ligero, larga vida útil y alta capacidad de carga. Los engranajes adoptan el proceso de cepillado y rectificado fino, con alta precisión y buen contacto. Funcionamiento suave y bajo ruido, fácil de desmontar e instalar.
Freno de disco Serie TP
El freno de doble circuito de aceite con cilindro de aceite montado en la parte trasera, transformado con tecnología ABB, cuenta con inercia pequeña, acción rápida, excelente capacidad de ajuste, alta confiabilidad, alta universalidad, base simple y mantenimiento y ajuste convenientes.
Motor de Frecuencia Variable Serie YTS
El motor de frecuencia variable Serie YTS, desarrollado para las condiciones reales de cargas de elevador, utiliza un inversor para lograr regulación de velocidad de torque constante (3–50Hz). Con gran torque de arranque, fuerte capacidad de sobrecarga, regulación suave, funcionamiento confiable y bajo ruido, es ideal para equipos que arrancan a baja frecuencia y operan a frecuencia nominal, siendo la elección perfecta para regulación sin escalones y control inteligente de máquinas de elevación.
Acoplamiento de Pasador de Varilla Elástico
El reductor y el motor están conectados mediante un acoplamiento de pasador de varilla elástica para transmitir el par de torsión, y el acoplamiento está compuesto por una mitad de acoplamiento, un pasador y un deflector, etc. Debido al efecto amortiguador y de desaceleración del pasador, tiene las características de transmisión estable, bajo ruido y larga vida útil. Material: ZG310-570.
Frenos de motor
El indicador de profundidad del elevador minero es un dispositivo clave para la precisión y seguridad de las operaciones de elevación. Muestra la posición en tiempo real y velocidad del contenedor en el pozo, transmite señales de profundidad a los operadores por medios mecánicos o electrónicos, y cuenta con función de protección contra sobreenrollamiento. Al acercarse el contenedor a la posición límite de boca o fondo del pozo, activa alarma o frenado para prevenir accidentes, garantizando el funcionamiento eficiente y seguro del elevador.
Estación hidráulica de torque constante
Tipo estructural: un depósito, doble motor, doble bomba de aceite, doble regulador de presión, doble sistema redundante, doble circuito, uno en uso y uno de respaldo. La estación hidráulica usa regulación de presión por válvula proporcional y estructura de bloque integrado de placa. Todos los componentes hidráulicos se instalan en la mesa superior; el grupo de válvulas de control es externo para facilitar instalación y mantenimiento.
- Sistema de control electrónico
Dispositivo electrónico de control de conversión de frecuencia de ascensor
El dispositivo de control de conversión de frecuencia para elevadores es un equipo inteligente basado en regulación de velocidad por frecuencia, destinado al accionamiento y control de elevadores mineros, ascensores y grúas. Ajusta la frecuencia del motor mediante un convertidor, logrando regulación continua, arranque-parada preciso y control de estado. Integra protección, monitoreo y control automático, para mejorar la seguridad, fiabilidad y eficiencia del equipo.
Consola de operación inteligente en red
La consola de operación es el equipo central del sistema de transporte de elevadores mineros. Adopta PLC industrial avanzada y fiable, con control en red de doble PLC y monitoreo mutuo, previniendo riesgos potenciales en entornos específicos. Según el circuito de seguridad de doble línea, logra protección integral del elevador. Equipada con sistema de monitoreo, muestra intuitivamente su estado en tiempo real. Cumplimenta el control de lógica, tiempo, velocidad y posición, así como ajuste de velocidad por recorrido, protección de seguridad, conducción automática y visualización de estados.
- Noticias de la Empresa
Fotos del winch en la fábrica





Foto del sitio de operación del winch






- ¡Contáctenos ahora para más detalles!
Máquina de minería
Sobre nosotros
Casos
Triciclo Eléctrico Minero de 1 Tonelada: Compacto, Potente y Perfecto para Minas Exigentesabril 28, 2026 - 1:53 am
Primer lote del equipo de transporte terrestre minero HNYT llega a sitio minero en el extranjeroabril 20, 2026 - 7:04 am
¿Por qué nuestros clientes internacionales confían en nuestras locomotoras de batería de 2.5 toneladas?abril 1, 2026 - 7:31 am
Cliente africano visita nuestra fábrica de equipos de minería y realiza un pedidomarzo 9, 2026 - 12:42 pm
Contacta con nosotros
HNYT EQUIPMENT
¡Podemos tener un video en línea para mostrarle nuestra fábrica! Envíenos directamente la consulta a nuestro correo electrónico o contáctenos en Whatsapp.
Tel: +86-731-58528855
Mob: +8617773243529
Correo: export@ytequipment.net
Add: No. 48, Liancheng avenue, Jiuhua Industrial Park, Jiuhua Economic Zone, Xiangtan City, Hunan, P.R,China
